
პროდუქტის დეტალური აღწერა
| უპირატესობა: | Მაღალი სიჩქარე | მარკირების სიჩქარე: | 60-200 ცალი / წთ |
|---|---|---|---|
| ფუნქცია: | აჰეზიური სტიკერების ეტიკეტირება | მასალა: | Უჟანგავი ფოლადი |
| ბოთლის ტიპი: | ავტომატური მრგვალი ბოთლის ეტიკეტის ქილა | განცხადება: | მრგვალი კონტეინერის ყველა სახისთვის |
| Plc ბრენდი: | MITSUBISHI (იაპონია | სერვო მარკირების ძრავა: | DELTA (ტაივანი |
წითელი ღვინის ეტიკეტირების მანქანა მინის ღვინის ბოთლის ეტიკეტირების მანქანა, PLC კონტროლის სისტემა MITSUBISHI ბრენდის ეტიკეტირების მანქანა
Მახასიათებლები:
1. ოპერაცია: PLC კონტროლის სისტემა აადვილებს მარკირების მანქანას მუშაობას
2. მასალა: მარკირების მანქანის ძირითადი კორპუსი დამზადებულია SUS304 უჟანგავი ფოლადისაგან
3. კონფიგურაცია: ჩვენი მარკირების აპარატები იღებენ იაპონური, გერმანული, ამერიკული, კორეული ან ტაივანის ცნობილი ნაწილების ნაწილებს
4. მოქნილობა: კლიენტს შეუძლია აირჩიოს პრინტერის და კოდის აპარატის დამატება. შეუძლია აირჩიოს კონვეიერთან დაკავშირება თუ არა.
Ტექნიკური პარამეტრები:
| სახელი | ავტომატური მრგვალი ღვინის ბოთლი მაღალსიჩქარიანი ყდის შემცირებისთვის, მრგვალი ბოთლის ეტიკეტირების აპარატისთვის |
| მარკირების სიჩქარე | 60-350 ცალი / წთ |
| ობიექტის სიმაღლე | 30-350 მმ |
| ობიექტის სისქე | 20-120 მმ |
| ლეიბლის სიმაღლე | 5-180 მმ |
| ლეიბლის სიგრძე | 25-300 მმ |
| იარლიყის როლიკერის დიამეტრი | 76 მმ |
| იარლიყის გარე დიამეტრი | 420 მმ |
| მარკირების სიზუსტე | ± 1 მმ |
| Ენერგიის წყარო | 220 ვ 50/60 ჰც 3.5 კვტ |
| პრინტერის გაზის მოხმარება | 5 კგ / მ 2 (თუ დაამატეთ კოდირების მანქანა) |
| ეტიკეტირების აპარატის ზომა | 2800 (L) × 1650 (W) × 1500 (H) მმ |
| წონის მარკირების აპარატი | 180 კგ |
კონფიგურაცია
| არა | ნაწილი | ბრენდი | რაოდენობა |
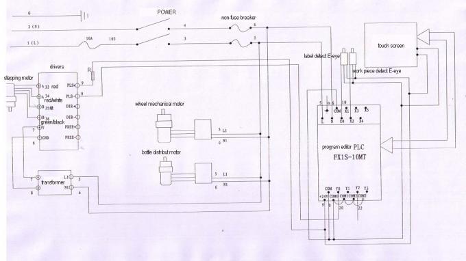
| 1 | PLC | MITSUBISHI (იაპონია) | 1 |
| 2 | მთავარი გადამყვანი | DANFOSS (დანია) | 1 |
| 4 | HMI | WEINVIEW (ტაივანი) | 1 |
| 5 | სერვო მარკირების ძრავა | დელტა (ტაივანი) | 1 |
| 6 | სერვო მარკირება საავტომობილო მძღოლი | დელტა (ტაივანი) | 1 |
| 7 | კონვეიერის ძრავა | HY (ტაივანი) | 1 |
| 8 | კონვეიერის ძრავის გადაცემათა კოლოფი | HY (ტაივანი) | 1 |
| 9 | გამყოფი ბოთლის ძრავა | GPG (ტაივანი) | 1 |
| 10 | გამყოფი ბოთლის ძრავის გადაცემათა კოლოფი | GPG (ტაივანი) | 1 |
| 11 | ბოთლის გამყოფი ძრავის სიჩქარის გამგებელი | GPG (ტაივანი) | 1 |
| 12 | ლაპარაკი საავტომობილო | GPG (ტაივანი) | 1 |
| 13 | ალაპარაკდა ძრავის კოლოფი | GPG (ტაივანი) | 1 |
| 14 | ობიექტი აჩვენებს ჯადოსნურ თვალს | OMRON (იაპონია) | 1 |
| 15 | ოპტიკური ბოჭკოვანი | OMRON (იაპონია) | 1 |
მანქანის დეტალები:

32 ძირითადი მარკირების დანადგარი

Წრიული დიაგრამა

ხშირად დასმული კითხვები:
1. ლეიბლი იღებს ბუშტებს
მიზეზები:
Board დაფა არ არის კარგი / არ არის ბრტყელი;
② გუთნის დაფა არ არის კარგი / არ არის ბრტყელი;
③ ეტიკეტირების გამომავალი ძალიან სწრაფია ან შეკრების ხაზის სიჩქარე ძალიან დაბალია;
④ ეტიკეტი ძალიან შესუსტებულია
გადაწყვეტილებები:
① შეცვალეთ ბრტყელი კანი დაფიდან;
② ბრტყელი გუთნის დაფის შეცვლა;
③ შეანელოთ მარკირების გამომავალი სიჩქარე ან გაზარდოთ შეკრების ხაზის სიჩქარე;
④ სწორად იმოქმედეთ ეტიკეტის სარტყელზე.
საკვანძო სიტყვები: სამრეწველო მარკირების მანქანა, მინის ბოთლის ეტიკეტირების მანქანა









